- All Listings/
- Valves/
- A105 Trunnion Mounted Ball Valve – Class 150 to 2500, NPS 2" to 48" - NSW
Description
A105 Trunnion Mounted Ball Valve – Class 150 to 2500, NPS 2" to 48" - NSW
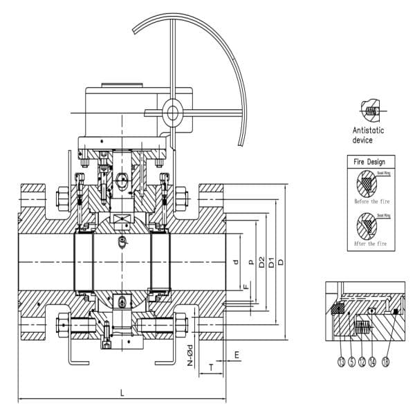
The NSW A105 Trunnion Mounted Ball Valve is a high-integrity, forged steel valve engineered for reliable shutoff in demanding applications. Featuring a trunnion-mounted ball design, the valve provides low operating torque and enhanced sealing under both low and high-pressure conditions. With options for full or reduced bore, side-entry, top-entry, or fully welded body types, it offers versatility across a wide range of pipeline services. It is suitable for gas, oil, petrochemical, and power generation industries. This valve meets API 6D/608, ASME B16.10, and B16.5/B16.47 standards and is fire-safe certified per API 6FA/607. Enhanced safety and maintenance features include anti-blowout stem, emergency sealant injection, lifting lugs, and optional cryogenic extensions.
Specifications:
– Manufacturer: NSW
– Valve Type: Trunnion Mounted Ball Valve
– Size Range: NPS 2" to 48"
– Pressure Class: ANSI Class 150, 300, 600, 900, 1500, 2500
– End Connections:
• Flanged: RF, FF, RTJ – ASME B16.5 / B16.47 / MSS SP-44 (NPS 22 only)
• Butt Weld Ends – ASME B16.25
• Socket Weld Ends – ASME B16.11
• Screwed Ends – ANSI/ASME B1.20.1
– Design Standard: API 6D, API 608, ISO 17292
– Face-to-Face Standard: API 6D, ASME B16.10
– Testing & Inspection: API 6D, API 598
– Fire Safe Design: API 6FA, API 607
– Material (Body): ASTM A105 (Forged Carbon Steel)
– Other Available Materials: A182 F304/304L/316/316L, F51, F53, A350 LF2/LF3/LF5, A216 WCB, A351 CF3/CF8/CF3M/CF8M, A995 4A/5A, A352 LCB/LCC/LC2, Monel, Inconel, Hastelloy
– Ball Type: Trunnion Mounted
– Bore Type: Full Bore or Reduced Bore
– Corrosion Compliance: NACE MR-0175 / MR-0103
– Nondestructive Testing: PMI, UT, RT, PT, MT
For further specifications or to inquire about this equipment and ReflowX's logistics services, Please contact ReflowX at info@reflowx.com
General Terms
- ReflowX and the seller retain the right to evaluate and approve offers.
- Buyers should verify quantities and conditions upon delivery.
- After successful engagement, both buyer and seller manage communication for payment terms and delivery schedule.
- All parties agree to adhere to ReflowX Terms and Conditions in transactions.
- Buyers can request value-added services such as pre-purchase inspections, Expediting & Delivery Services through ReflowX. Contact us!
