- All Listings/
- Valves/
- NSW 12" Trunnion Mounted Ball Valve – Class 600, WCB Body, F316 Trim, RF Flanged
Description
NSW 12" Trunnion Mounted Ball Valve – Class 600, WCB Body, F316 Trim, RF Flanged
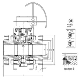
The NSW 12" Class 600 Trunnion Mounted Ball Valve is an industrial-grade flow control solution, ideal for high-pressure and high-demand pipeline systems. Featuring a durable ASTM A216 WCB carbon steel body and precision A182 F316 stainless steel internals, this valve delivers reliable sealing and extended service life under extreme conditions.
This valve is designed with a trunnion-mounted ball to support the ball in both directions, minimizing torque and ensuring smooth operation under varying pressure. The double block and bleed (DBB) design enhances safety during maintenance or isolation, while emergency sealant injection ensures continued operation in the event of seat damage. Available in side entry, top entry, or fully welded body designs to suit specific project needs.
Certified to API 6D and fire-safe per API 607/API 6FA, this valve is suitable for critical applications in oil & gas, petrochemical, and power generation industries. Optional features include cryogenic or high-temperature stems, vent valves, and lifting lugs for large-size valves.
Specifications:
– Valve Type: Trunnion Mounted Ball Valve
– Operation: Gear Operated (optional electric/pneumatic/hydraulic)
– Size: 12 inch (Available: NPS 2 to NPS 48)
– Pressure Class: 600# (Available: Class 150 to Class 2500)
– Body Material: ASTM A216 WCB (Optional: CF8, CF8M, LCB, LCC, LC2, Duplex, Monel, Inconel, Hastelloy)
– Ball Material: ASTM A182 F316 Stainless Steel
– Seat Material: ASTM A182 F316 / RPTFE / Metal Seated
– Stem Material: ASTM A182 F316 Stainless Steel
– Bore: Full or Reduced
– Body Design: 3-Piece, Side Entry / Top Entry / Welded
– End Connection: Raised Face (RF) Flanged to ASME B16.5
– Face-to-Face: ASME B16.10
– Flange Standard: ASME B16.5 / B16.47 / MSS SP-44
– Design Standard: API 6D / API 608 / ISO 17292
– Fire Safe: API 607 / API 6FA
– Testing & Inspection: API 598, NACE MR-0175, MR-0103, ISO 15848
– Features: Double Block & Bleed (DBB), Anti-blowout Stem, Anti-static Device, Emergency Seat/Stem Injection (6"+), Lifting Lugs (8"+), Extended Stem Options (Cryogenic / High Temp)
For further specifications or to inquire about this equipment and ReflowX's logistics services, Please contact ReflowX at info@reflowx.com
General Terms
- ReflowX and the seller retain the right to evaluate and approve offers.
- Buyers should verify quantities and conditions upon delivery.
- After successful engagement, both buyer and seller manage communication for payment terms and delivery schedule.
- All parties agree to adhere to ReflowX Terms and Conditions in transactions.
- Buyers can request value-added services such as pre-purchase inspections, Expediting & Delivery Services through ReflowX. Contact us!
